Latest News

Jul 13, 2021

Air Conditioning Troubleshooting Nissan Skyline GT-R R32 - ECU Issue

I always try and mark parts. Otherwise I never remember later

This was a bit of an odd one. We had a car that had a non functioning AC system. The system was charged, good pressures. All the codes came back good, but the clutch wouldn't engage/ system wouldn't turn on. 

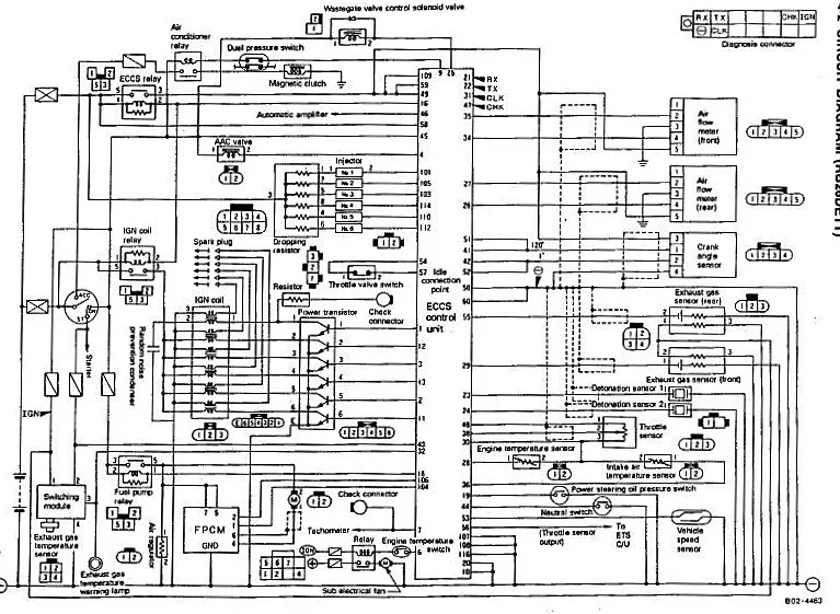
Air conditioning relay ground is on pin number 9

The ECU mostly provides a ground to turn most things "on".  The power or hot side comes through a fuse. When the ECU makes the ground the circuit is completed. This includes things like the fuel pump relay, and for the air conditioning though the dual pressure switch, the air conditioning relay. 

On this car, I had used an ECU that I had in stock for a friends car. It had some other weird ECU issues, and this ECU seemed to clear them up.  However when later troubleshooting the AC issue, we found it was not providing the ground for the AC relay.   We swapped ECU to another ECU, and the AC functioned correctly.   

Burned circuit in the ECU. 

It even showed up on the case, but it does not appear like the case contacted anything in the circuit





GT-R ECU pinout, looking when mounted



Buy USA Legal R32, R33, and R34 Skylines at Toprank Importers!
Index and Start Page
Nissan Skyline Parts and Toys


No comments: